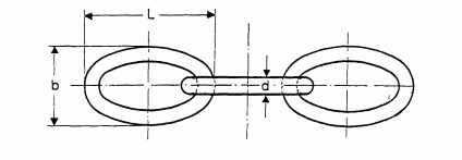
Cadena oval con eslabón ovalado. Su particularidad es que giran los eslabones entre sí. Muy utilizada en las cartolas de los camiones.

| Diámetro | Largo t | Ancho b |
| 6 | 45 | 30 |
| 6 | 45 | 30 |
| 7 | 50 | 35 |
| 8 | 51 | 36 |
| 10 | 59 | 40 |
Cadena oval con eslabón ovalado. Su particularidad es que giran los eslabones entre sí. Muy utilizada en las cartolas de los camiones.

| Diámetro | Largo t | Ancho b |
| 6 | 45 | 30 |
| 6 | 45 | 30 |
| 7 | 50 | 35 |
| 8 | 51 | 36 |
| 10 | 59 | 40 |